Videokarma.org TV - Video - Vintage Television & Radio Forums

Videokarma.org TV - Video - Vintage Television & Radio Forums (http://www.videokarma.org/index.php)
-   Early Color Television (http://www.videokarma.org/forumdisplay.php?f=36)
-   -   Motorola ts907 low hv (http://www.videokarma.org/showthread.php?t=275174)

timmy 11-04-2022 09:38 AM

Ok upon turning on voltage starts high of course then it steadily drops the 275v dropped 226v then momentarily went up 260v ok well again I’ll leave the voltages alone but now back to the video problem with the test caps in place I removed the ground for a moment and made really no difference just alittle snow dots that’s it. Batteries are dead in the subber they don’t last.

timmy 11-04-2022 10:39 AM

The antenna put in at v1 pin 2 but v1 pin 7 it’s a better picture v2 pin 2 about the same and pin 7 no video. I put the new focus coil in and it along with L42 is still getting really hot if I leave it on long enough it’s got to burn up L42 and the focus coil. I can’t help but think these 2 problems video and overheating L42 and focus coil are related.

Yamamaya42 11-04-2022 10:56 AM

Not exactly sure what you are doing here, "The antenna put in at v1 pin 2 but v1 pin 7 it’s a better picture v2 pin 2 about the same and pin 7 no video."

this is a bit hard to follow :O

timmy 11-04-2022 11:09 AM

Quote:

Originally Posted by Yamamaya42 (Post 3246170)
Not exactly sure what you are doing here, "The antenna put in at v1 pin 2 but v1 pin 7 it’s a better picture v2 pin 2 about the same and pin 7 no video."

this is a bit hard to follow :O

The better pic is v2 pin 7 and the others I do get some video it’s better if v1 tube is left in.

timmy 11-04-2022 11:12 AM

At this point I feel like I’m chasing something that I may not find because with L42 overheating and focus coil overheating I probably think I should put my time into finding out why these are overheating.

timmy 11-04-2022 11:25 AM

The 770v tests 780v the 640v tests 620v the crt anode brightness down 24kv I don’t even know if L42 is supposed to have 780v on it I’m alittle lost not knowing the proper voltages that should be there it’s obvious there is to much voltage there.

Yamamaya42 11-04-2022 11:30 AM

For that you will have to do as SB suggested.
======
Also for L42 getting hot, you know each coil & Cap are a tuned circuit, If there is something
wrong, it may be peaking at a poor point and creating too much power.

All I can think of right now would be to check focus voltage as best you can.
Since the flyback was removed, it may be a good idea to try and see as best you
can that the pins that go where you think they go have the right resistance on
them as best as you can determine.

Take a picture, several pictures, of the flyback wiring, then disconnect all the wires,
measure the resistance of all the pins as you see them using both schematics, and
try and determine if it's wired correctly. You may also want to check resistance
from one isolated winding to another, This confirms no short between windings
and that they are wired correctly inside the transformer.... Since you have 2
Flyback transformers, you can compare between the two.....

My thinking is that since that flyback has pins that are tied to components and then
back to other parts of the flyback, that if a wire is not connected right, then voltage
may be fed to, or from one section out of phase, and causing problems, possibly
even heat on L42.
====
Mainly pins 1 & 5.
Others may be involved, but 1&5 hook directly to L42 & the focus coil, and must be unhooked to get a good reading, which SAMS says is .45 ohms, I think.

timmy 11-04-2022 11:37 AM

Before I put the flyback back in the resistances we’re good and the focus voltage measured perfect. And the other flyback I determined was bad I couldn’t get the hv right that why I put the old one back in and before taking the old fly out I drew a picture of the wires and colors where they came from and that’s how I put it back. So if it’s determined to be right and resistance is good then I’m still looking for a problem.

Yamamaya42 11-04-2022 11:46 AM

never hurts to double check stuff, cause there has to be a fault local to the FBT & focus area someplace.

timmy 11-04-2022 12:24 PM

Quote:

Originally Posted by Yamamaya42 (Post 3246177)
never hurts to double check stuff, cause there has to be a fault local to the FBT & focus area someplace.

I traced all the wires before and they all were good so next I’ll pull the chassis and disconnect all wires and check resistance on the flyback. I just checked the new flyback I have and all the coil taps check perfect but the donut checks at 470 ohms but the paper with the resistances it came with says it should be 640 ohms is that close enough.

Yamamaya42 11-04-2022 12:42 PM

Quote:

Originally Posted by timmy (Post 3246178)
I traced all the wires before and they all were good so next I’ll pull the chassis and disconnect all wires and check resistance on the flyback. I just checked the new flyback I have and all the coil taps check perfect but the donut checks at 470 ohms but the paper with the resistances it came with says it should be 640 ohms is that close enough.

too low, pin 12 to the cap of 3AT2 should be at least 600, so it has shorted turns, or is the wrong part. :scratch2:

timmy 11-04-2022 12:50 PM

Quote:

Originally Posted by Yamamaya42 (Post 3246179)
too low, pin 12 to the cap of 3AT2 should be at least 600, so it has shorted turns, or is the wrong part. :scratch2:

Ok well that explains why I couldn’t get the hv right. I checked the donut on the original fly it’s 582 ohms so that’s good then I hope. I’ll be tracing wires again and checking resistances on the old flyback.

timmy 11-04-2022 03:44 PM

Donut 585ohms
1-2 .9
7-2 .6
5-7 .6
8-6 1.0
11-12 1.0
13-14 1.1
9-5 9
2-5 .8
5-2 1 I wasn’t able to get .45

Yamamaya42 11-04-2022 04:23 PM

something weird there, not really sure what, it SHOULD match the replacement, IF they are the same FBT.

timmy 11-04-2022 04:28 PM

The new flyback I have gives resistances and there are alittle different then the sams but that fly I can’t use if the donut tests bad that’s the flyback that kept red plating the hot. The numbers do match for the replacement flyback

timmy 11-04-2022 04:34 PM

Replacement sheet

Yamamaya42 11-04-2022 04:35 PM

if they both match from pins 1-5 then this has gotten very strange THOSE are the pins that matter most.
the resistance between 1 and 5

timmy 11-04-2022 04:53 PM

Are you referring to the .45

timmy 11-04-2022 05:12 PM

Pins 1 and 5 measure 1.6 ohms

Yamamaya42 11-04-2022 05:13 PM

Quote:

Originally Posted by timmy (Post 3246189)
Pins 1 and 5 measure 1.6 ohms

on both the new and old?

timmy 11-04-2022 05:25 PM

Quote:

Originally Posted by Yamamaya42 (Post 3246190)
on both the new and old?

The new flyback 1-5 1.6 ohms same as old one

timmy 11-04-2022 05:58 PM

That one section with the .45 is weird how those coils are configured.

timmy 11-04-2022 07:33 PM

So I guess it’s not a good idea to use this flyback. So I got a line on another new one so I’ll chance another one. The new one that’s no good is a stancor and the one I’m going to get is a thordarson.

timmy 11-05-2022 10:10 AM

I’m not sure why 1&5 would be so important because I do have both boost voltage’s so if those 2 taps were shorted in some way the voltages should be way off at last check 640v was 620v and 770v was 780v that don’t seem to bad but it sure doesn’t explain why the focus circuit is hot even though focus voltage is right and variable via focus coil. And the 66meg stick resistor for focus gets alittle warm as well.

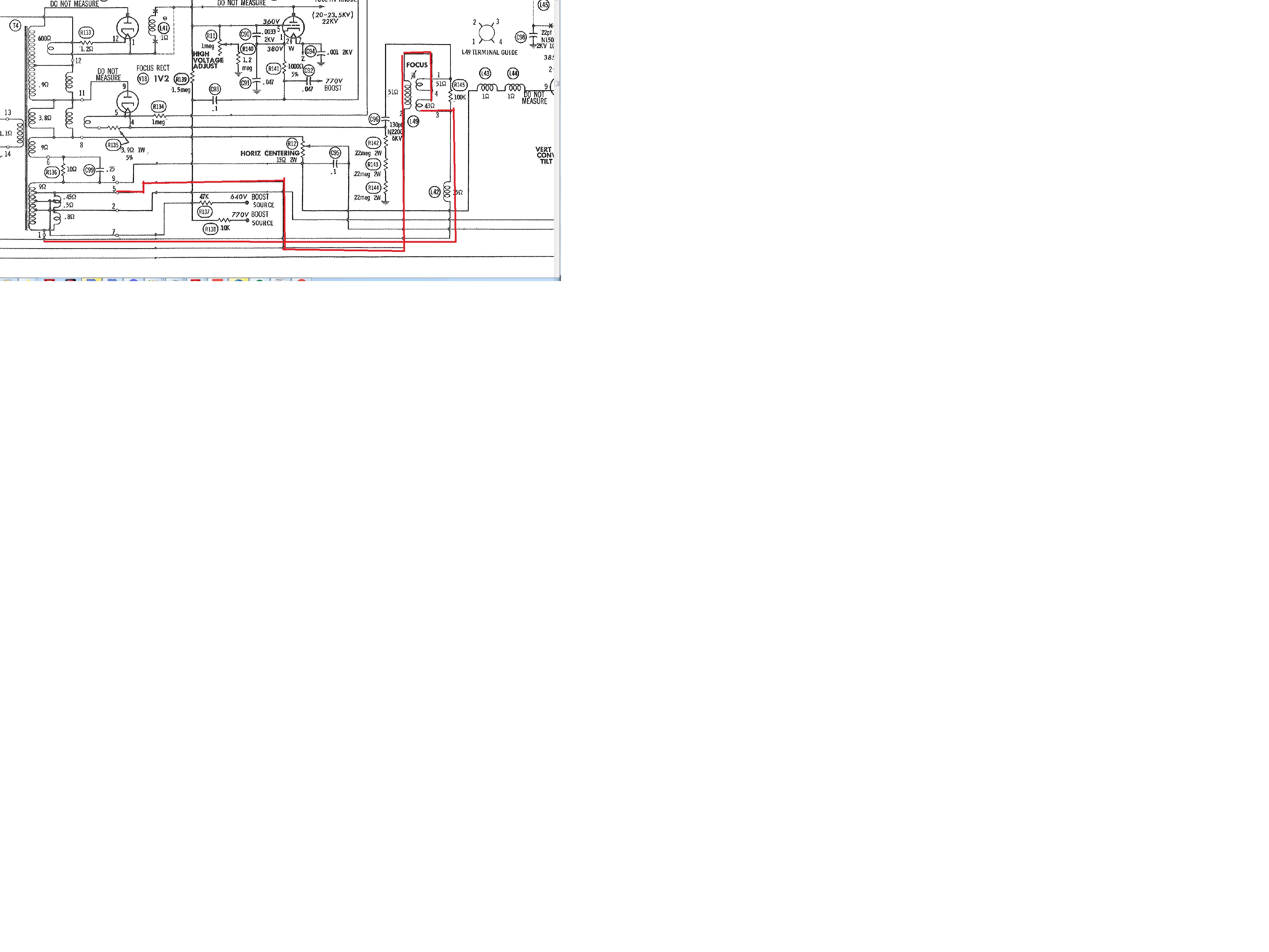
Yamamaya42 11-05-2022 10:32 AM

the AC current path of L42 was the reason for looking at the resistance of pins 1-5

http://suzaku.live-evil.org/L42.jpg

not really sure why it's hot if both FBT match, but this may be related to why the 100k ohm resistor burned in the first place.

timmy 11-05-2022 10:45 AM

Quote:

Originally Posted by Yamamaya42 (Post 3246199)
the AC current path of L42 was the reason for looking at the resistance of pins 1-5

http://suzaku.live-evil.org/L42.jpg

not really sure why it's hot if both FBT match, but this may be related to why the 100k ohm resistor burned in the first place.

I had a silvertone that burned the resistor also. Is there a possible reason for the hot L42 from either the horizontal centering circuit or hv regulator like a bad cap. The centering boarders pin 5. Other then that would you use this flyback with the specs it has and the donut 585ohms.

timmy 11-05-2022 11:29 AM

C99 shows.25 but what came out was a .5 this shouldn’t make a difference unless I messed up.

timmy 11-05-2022 11:41 AM

Well it’s official I put the wrong cap in c99 I put a .5 in instead of .25 I don’t know if this may cause the L42 issue along with the video issue

Yamamaya42 11-05-2022 12:11 PM

Quote:

Originally Posted by timmy (Post 3246203)
Well it’s official I put the wrong cap in c99 I put a .5 in instead of .25 I don’t know if this may cause the L42 issue along with the video issue

Which would have caused the pulses to be 2x higher then they should have been at that coil , you may want to test r136 too.

timmy 11-05-2022 12:31 PM

Lucky I saved all the caps I changed and there is only one .25 400v c99 and that’s the one I put was wrong. Hopefully the L42 will be ok now and maybe I’ll get video because the pulses pass v6.

timmy 11-05-2022 01:50 PM

Well sorry for driving you guys crazy but it’s not a mistake the .5 is next to the .25 I looked at the wrong one my glasses are not working for me. .25 is in place and checks good. Back to square one again.

timmy 11-05-2022 02:29 PM

I don’t know if these new caps these days are any good but the original cap checks better then the new so maybe I should try the original cap it’s +20% and see what follows.

timmy 11-05-2022 02:45 PM

The 10ohm resistor is 11.3ohms

Yamamaya42 11-05-2022 05:18 PM

Quote:

Originally Posted by timmy (Post 3246209)
I don’t know if these new caps these days are any good but the original cap checks better then the new so maybe I should try the original cap it’s +20% and see what follows.

if the OLD is paper, do not trust it.

now the question remains, is the IF problem still there or not?

I'd guess it's a 50/50 chance. :(

timmy 11-05-2022 05:34 PM

If I only had an idea what it is that tunes the focus coil. All there is focus coil L42 .25 cap 10 ohm resistor that’s it.

timmy 11-05-2022 05:35 PM

The old cap is those dark red ones. I have to concentrate on this focus issue before getting back to the IF because the L42 is going to burn up then I’m screwed.

timmy 11-05-2022 07:03 PM

The IF problem is still there

Username1 11-06-2022 09:02 AM

If you are so worried about the L42 Temp. then just put a 10 Ohm 10W resistor in
series with it, and check it's temp. and move on till you get a pic on the screen
and then you can figure it out.... I mean like a Good Pic from the tuner
with everything else working.....


I also doubt that any cap. that you replaced where the value is .1 and you put
in a .5 by mistake is causing all these problems... I hate the idea of using a
parts cannon on all these tv's before you get it working by only replacing
electrolytics, but that's what you guys end up doing....

This should be your main focus:

Every TV without a signal should produce snow on Picture & Sound
this one does not. You tracked the signal loss to a specific area, & now
need to focus on why it's getting lost. IF Amp not working? IF amp
turned off because of some AGC Fault?



.

timmy 11-06-2022 09:08 AM

Quote:

Originally Posted by Username1 (Post 3246221)
If you are so worried about the L42 Temp. then just put a 10 Ohm 10W resistor in
series with it, and check it's temp. and move on till you get a pic on the screen
and then you can figure it out.... I mean like a Good Pic from the tuner
with everything else working.....


.

I thought of doing that but there’s a reason why this is happening and I really wish I could get to the bottom of it then move on to video maybe this problem is related to the video problem.

Username1 11-06-2022 09:46 AM

It is entirely possible both problems are related.... But which is the chicken, and which
is the egg..... And is there a 3ed or 4th problem in there too.....
To figure out what is going on with L42 you might just have to look at wave forms
especially that + - 500V P-P as it would be most telling as to the health of that
circuit. Flyback not hot +, Focus voltage within range +, Screen is focused when
signal makes it through from test points +.

You don't know what that coil's temp is when it working perfectly, like when it
came from the factory.....? Did it run hot anyway...?



.


All times are GMT -5. The time now is 11:41 PM.

Powered by vBulletin® Version 3.8.4
Copyright ©2000 - 2026, Jelsoft Enterprises Ltd.
©Copyright 2012 VideoKarma.org, All rights reserved.