Videokarma.org TV - Video - Vintage Television & Radio Forums

Videokarma.org TV - Video - Vintage Television & Radio Forums (http://www.videokarma.org/index.php)
-   Early Color Television (http://www.videokarma.org/forumdisplay.php?f=36)
-   -   Motorola ts907 low hv (http://www.videokarma.org/showthread.php?t=275174)

Yamamaya42 09-07-2022 08:30 AM

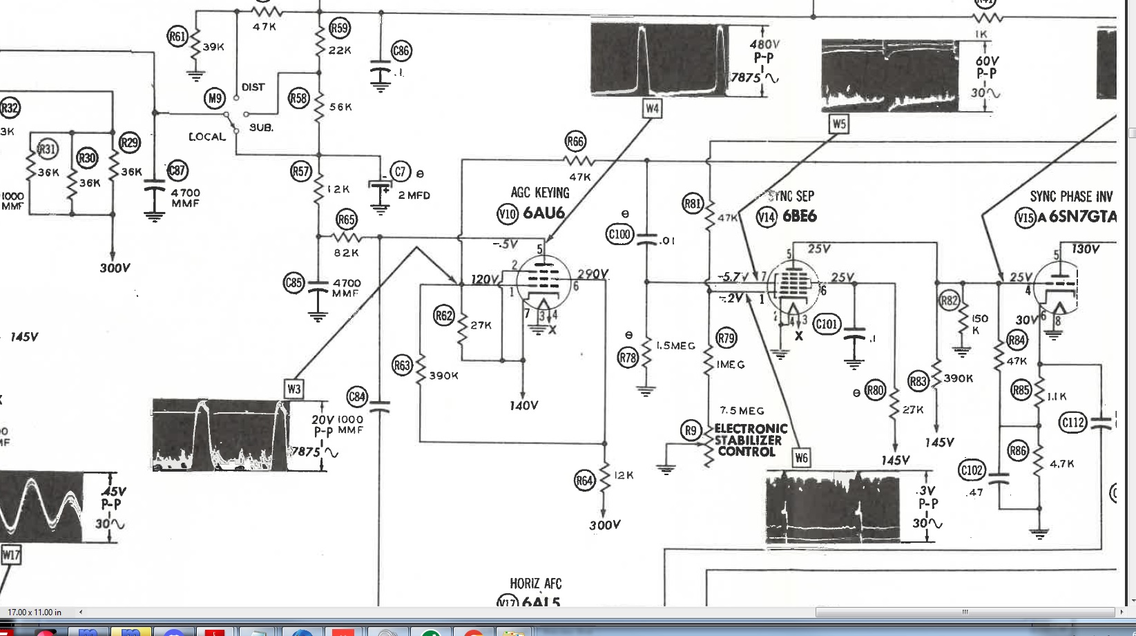
https://www.rfcafe.com/references/po...rch-1967-4.jpg


best i can find on short notice

timmy 09-07-2022 08:33 AM

Hmm interesting well I’ll look at that and see what I come up with and at the same time I hope there’s no bad resistors in the tuner itself.

Yamamaya42 09-07-2022 08:41 AM

That is always possible, but due to it's nature, the tuner is a bit more forgiving with resistors drifting than other areas of the set due to the fine tuning, and the ability to adjust each core.

timmy 09-07-2022 08:46 AM

I pulled the cover and they actually look clean but when I touch the contacts they feel gummy or sticky maybe this is some sort of tuner lube. Maybe I’ll just clean the one that’s marked 3. Maybe alcohol is good to get the sticky stuff off.

Yamamaya42 09-07-2022 08:50 AM

Most likely an old cleaner lube that has broken down, I'd clean both 3&4.

Yamamaya42 09-07-2022 08:55 AM

If its really bad...

https://www.radioshack.com/products/...-and-lubricant


but its almost impossible to get now. :(


I have 1/2 can left.

Yamamaya42 09-07-2022 09:13 AM

LOL!!!

Some maniac is trying to sell a can of it on evil-bay for $150!
CRAZY!

I got it for $10 last year! :O

timmy 09-07-2022 09:31 AM

Lol 150 bucks lots of sick people on eBay. And I have a half can of the same stuff from RadioShack but I just put the cover back on it was a real headache.

Yamamaya42 09-07-2022 09:37 AM

here is a thread about it.
http://www.videokarma.org/showthread.php?t=65178

And yes, the cover is easy to get off, a PAIN to get on, same on all sets.
The engineers must have been laughing a LOT about that!:D

timmy 09-07-2022 09:44 AM

Yup got to bend the tabs alittle bit and finesse it. I’ll have to put everything together and see what happens because I had the horizontal coil way out to get hv and since changing the damper and readjusted the hv and made sure I had -45v on the tubes so if the frequency is way off the can create a problem getting an image.thing is I didn’t try it with an antenna after changing the damper I only put the video in and got the image so I’ll try it together.

Yamamaya42 09-07-2022 09:57 AM

AGC & NOISE GATE adjustments may be giving you trouble, to start with, be sure they are set at their center of adjustment.

For both of them, the more CW the pot is set, the more sensitive the tuning, the more CCW, the less it is.

timmy 09-07-2022 10:15 AM

Yes I had both already at mid point. That horizontal coil was so far one way the slug was out of the coil by an 1/8 but now it’s up inside close to half with good hv where I couldn’t get good hv unless the coil was out all this because the damper was bad so with an antenna maybe this will do it lol �� I’m almost burned out.

timmy 09-07-2022 12:31 PM

Ok I’m completely baffled plugged it in sound came right up all of a sudden I just about had a picture but was all distorted it come in and out I pulled the plug tried other tubes no different at all turned on again the sound was all but almost gone and the voltage started dropping again to the point of almost red plating the hot again. The sound sounded like something was interfering or shorting. There has to be a disc shorting to possibly ground to pull the voltage down like this as the picture flickered so did the sound.

Yamamaya42 09-07-2022 12:49 PM

Don't be focused on sound AND video at this point, that can come later, you have shown that things work OK from the detector forward with the video input yesterday.
For now, I suggest you remove V7, V8 ,V9 completely, and work on getting a clean input from the tuner to the screen.
Then once you have reached that point, put the sound tubes back in and then focus on getting sound.

Best approach it to get it up and stable section by section.

timmy 09-07-2022 01:11 PM

Ok voltage steady with those tubes out but the 6dt6 looks alittle white in side soi have another but still can’t get a pic it kind of flickers from almost a pic to snowy lines.

timmy 09-07-2022 01:32 PM

Well that was short lived tried some tubes and again voltage drop with audio tubes still out.

Yamamaya42 09-07-2022 01:40 PM

You should be able to cycle through all channels and see some sort of effect on the screen.
But, I do find that “sticky-gummy” condition of the tuner a little disturbing, if it IS old lube, (not sure) it may be interfering with contacts and hard to clean out unless something like deoxit is used since the RS stuff is hard to get, but It's a bit costly.
As far is I know, it should not be “sticky-gummy” in there, my Arvin TV tuner was like that, full of varnish, and it was hell cleaning it up.
I would still suggest a new set of IF/ tuner tubes however.

timmy 09-07-2022 01:43 PM

But the voltage pulled down again with audio tubes still out it has to be related and the contacts in the tuner very little dirt I did all the contacts no more sticky feeling wasn’t that bad at at.if a disc cap to ground is shorted is there any tell tale signs of maybe getting hot.

Yamamaya42 09-07-2022 02:00 PM

This then, is still likely a horizontal oscillation / sweep issue, as was pointed out way back, it is a giant feedback loop, if everything is not just right, the loop will collapse in on itself, oscillation stops, and the 6JM6s start to destroy themselves.

Where disc caps have been known to fail, it is very rare for them to do so, when they do short, they are hard to find, you often have to hunt for them by looking for a overloaded feeder resistor.

timmy 09-07-2022 02:12 PM

This is crazy I went over this chassis and found no bad resistors I am at a total stop the horizontal coil the oscillator tube and resistors around that area were good and the coil tests perfect ohms 85 another flyback numerous tubes I had changed the horizontal centering pot centering does work I also unplugged the horizontal from the yoke voltage still dropped 2 sets of power supply caps. What would cause an upset in the feed back loop.can a problem in the sound feedback to upset the video

Yamamaya42 09-07-2022 02:24 PM

This seems to be a very finicky set to get going, and it looks to be teetering right on the edge of working / non-working, could be any number of things, a cap or coil that is just not to it's liking, or when something gets warm/cold it starts/stops working, this seems to be one of the most dreaded of situations, an intermittent fault.

Yamamaya42 09-07-2022 02:30 PM

I would try to take a step back to where you had the most success, with tuner and sound tubes unplugged, see how long set can run with video input via test point B, 10min? 20? longer?
Does it mess up at all like that?

timmy 09-07-2022 02:37 PM

What happens is put on cold no problem with voltage warm up then turn off then back on that’s when the voltage problem starts after it’s warm.

Yamamaya42 09-07-2022 02:59 PM

There are only 3 tubes that seem to be connected direcly to power, audio output, sound det ( removed) and V6, SYNC SEP AGC/ NOISE CAN, if V6 is faulty, shorting when getting hot, this could be a problem and would not show in a tester, I have seen a AGC tube short before in a set and load power (it was a 6au6)

timmy 09-07-2022 03:17 PM

Well I have v6 coming it’s a 6hs8 in the mail and yes there is a lot of power arrows and that would mess up video and probably take down horizontal with all that power there. I have to wonder what killed the sound all the other times the voltage pulled down I still had sound.maybe for giggles I should put that tube on the tester to get hot and see if anything shows up maybe even put the heater up a notch. I tried it on the tester 7-8 v showing grid emission.

Yamamaya42 09-07-2022 04:05 PM

Quote:

Originally Posted by timmy (Post 3244625)
Well I have v6 coming it’s a 6hs8 in the mail and yes there is a lot of power arrows and that would mess up video and probably take down horizontal with all that power there. I have to wonder what killed the sound all the other times the voltage pulled down I still had sound.maybe for giggles I should put that tube on the tester to get hot and see if anything shows up maybe even put the heater up a notch. I tried it on the tester 7-8 v showing grid emission.

Won't be the same.

The TV has the cathode at 190v
https://frank.pocnet.net/sheets/049/6/6HS8.pdf
Max is 200v

the tester won't go that high for sure.

and you can be sure that in the set that it DOES go over 200v before everything heats up anyway.
so IF the tube is shorting, there is a good chance that it is mixing AC heater voltage with the 190v bias.
and IF it's failing then AGC is not working the way it should be, making the tuner deaf.

timmy 09-07-2022 04:09 PM

Sure sounds logical but would it knock out sound other then the voltage drop killing sound. Just curious if I should just wait for the tube or take a closer look at the audio.

Yamamaya42 09-07-2022 06:08 PM

Quote:

Originally Posted by timmy (Post 3244629)
Sure sounds logical but would it knock out sound other then the voltage drop killing sound. Just curious if I should just wait for the tube or take a closer look at the audio.

wait for the tube, right now this all is just best guesses bases on looking at the schematic.

this is the same type circuit in my arvin.
http://suzaku.live-evil.org/arvin111.jpg

it DID a hard short.
when you lose AGC, all sorts of strange tuning stuff can happen.

timmy 09-08-2022 08:52 AM

I’m already contemplating the next move if this tube don’t come out a winner. If this tube was shorting then it should have been extremely hot I would think but then again didn’t have it on long enough so the hot don’t burn up.

Yamamaya42 09-08-2022 09:38 AM

A tube with heater to cathode leakage/short wont get as hot as one that's overloading and running power to/from the plate, could even be colder if not conducting the way it should be, as no power is flowing from the plate as it should.

timmy 09-08-2022 09:47 AM

If the power is being pulled down by this tube I thought it would get hot resistance = heat.

Yamamaya42 09-08-2022 10:25 AM

It's a bit hard to explain, and remember, this is all founded on educated guess on what MAY be going on in the set.

In normal operation, there is a fair amount of power flowing between the plate and the cathode of a given tube, this causes the plate to heat up, and this heat is felt on the outside glass, if the tube has no power flowing but still has it's heater on, it would be much cooler.

And of course, if overloaded, MUCH hotter.
https://en.wikipedia.org/wiki/Glowing_plate

So, this could also mean that if there was a biasing problem like a H/K short or leak that would prevent the flow of power between the plate and the cathode, or any grid issue, it stands to reason it could be colder than normal. In the same way that a problem causing excessive flow makes it hot.

In other words, the radiated power from a H/K short has a much harder time making it to the outside of the tube than an overloaded plate.

timmy 09-08-2022 10:45 AM

So even though the tube is not getting super hot it could still pull the voltage down.I forgot to mention the 2nd chroma 6bL8 tube while I had the chassis on the bench and plugged in checking things I noticed this tube had what looked like a blue spot on the side of the tube but once in the cabinet I didn’t see it again.

Yamamaya42 09-08-2022 11:13 AM

For the case of V6 if it was having an intermittent H-K short (+190v to Y-HEATER/GND) the tube would not heat up very fast, your PWS might give up first, R215 before the tube got really hot, unlike when the audio tube or HOT was overloaded, and all the power was pushed to the plates, and the tubes heated very quickly.

timmy 09-08-2022 11:22 AM

What do you think of that 2nd chroma tube I mention in the last post.

Yamamaya42 09-08-2022 11:24 AM

a little blue glow is normal, it's just a spot of excitation from being hit from electrons.

I got a picture of a really weird one on a rebuilt CRT i got last year.

timmy 09-08-2022 11:26 AM

I thought any blue may have been gas in the tube.

timmy 09-08-2022 11:30 AM

Where did you get a blue mark on a crt

Yamamaya42 09-08-2022 11:37 AM

https://i.imgur.com/0ykFyqZ.jpg

Blue is not a problem.

pink , purple is.

https://tonetopics.com/tell-amps-tubes-gone-bad/

timmy 09-08-2022 11:53 AM

When I first started working on this set when I couldn’t get good hv I noticed the top of one 6jm6 was glowing blue I put another one in And that was what fixed the hv problem.


All times are GMT -5. The time now is 09:59 PM.

Powered by vBulletin® Version 3.8.4
Copyright ©2000 - 2026, Jelsoft Enterprises Ltd.
©Copyright 2012 VideoKarma.org, All rights reserved.