Videokarma.org

Go Back   Videokarma.org TV - Video - Vintage Television & Radio Forums > Early Color Television

Notices

We appreciate your help

in keeping this site going.
Reply
 
Thread Tools Display Modes
  #1  
Old 07-12-2022, 10:39 PM
Yamamaya42's Avatar
Yamamaya42 Yamamaya42 is offline
VideoKarma Member
 
Join Date: Nov 2018
Location: Round Rock TX
Posts: 3,161
Another local Hoffman! COLOR!

Found a Hoffman colorcaster television local.

don't have it yet

http://suzaku.live-evil.org/hoff112.jpg
1967 w a 23EGP22 CRT
__________________
=^-^=
Yasashii yoru ni hitori utau uta. Asu wa kimi to utaou. Yume no tsubasa ni notte.
いとおしい人のために
Reply With Quote
  #2  
Old 07-12-2022, 10:47 PM
Yamamaya42's Avatar
Yamamaya42 Yamamaya42 is offline
VideoKarma Member
 
Join Date: Nov 2018
Location: Round Rock TX
Posts: 3,161
looks at the SAMS folder...

This thing is an RCA clone!
__________________
=^-^=
Yasashii yoru ni hitori utau uta. Asu wa kimi to utaou. Yume no tsubasa ni notte.
いとおしい人のために
Reply With Quote
  #3  
Old 07-12-2022, 11:01 PM
AlanInSitges's Avatar
AlanInSitges AlanInSitges is offline
VideoKarma Member
 
Join Date: Nov 2017
Location: Sitges, Catalonia, Spain
Posts: 450
...with a Zenith picture tube!
Reply With Quote
  #4  
Old 07-12-2022, 11:12 PM
Yamamaya42's Avatar
Yamamaya42 Yamamaya42 is offline
VideoKarma Member
 
Join Date: Nov 2018
Location: Round Rock TX
Posts: 3,161
Quote:
Originally Posted by AlanInSitges View Post
...with a Zenith picture tube!

Yes, it does look like a Zenith type cataract, but the sticker on the back says sylvania, did they use the Zenith method?

http://suzaku.live-evil.org/zenuth.jpg
__________________
=^-^=
Yasashii yoru ni hitori utau uta. Asu wa kimi to utaou. Yume no tsubasa ni notte.
いとおしい人のために
Reply With Quote
  #5  
Old 07-13-2022, 12:31 AM
reeferman's Avatar
reeferman reeferman is offline
VideoKarma Member
 
Join Date: Jun 2004
Location: St. Louis
Posts: 591
Zenith didn't make a 23EGP.

BTW, what's the "Zenith method"?
Reply With Quote
Audiokarma
  #6  
Old 07-13-2022, 12:43 AM
Electronic M's Avatar
Electronic M Electronic M is offline
M is for Memory
 
Join Date: Jan 2011
Location: Pewaukee/Delafield Wi
Posts: 15,408
Sylvania CRTs do get Zenith style cataracts, and supposedly respond to the same removal methods. The only Sylvania color CRT I've had was a post safety glass tension banded tube so I've never verified what I have read that they respond the same.
__________________
Tom C.

Zenith: The quality stays in EVEN after the name falls off!
What I want. --> http://www.videokarma.org/showpost.p...62&postcount=4
Reply With Quote
  #7  
Old 07-13-2022, 07:39 AM
Yamamaya42's Avatar
Yamamaya42 Yamamaya42 is offline
VideoKarma Member
 
Join Date: Nov 2018
Location: Round Rock TX
Posts: 3,161
Quote:
Originally Posted by reeferman View Post
Zenith didn't make a 23EGP.

BTW, what's the "Zenith method"?
From what I have seen here and there, there are only 2 major types of methods (styles) of bonded safety glass used in these things, RCA, which turns white & cloudy (moldy) looking, best removed with heat, and the Zenith type of bond, which turns green and gummy, best removed with thin wire, and a lot of patience and strong hands!

As E.M. Has confirmed, this tube does indeed have the Zenith type of bonding used for the safety glass, meaning it will be much harder, and not to mention hazardous than the RCA 21FJP22 ones I have done before.
As I have heard that these tend to be more unstable in the process than the roundies,
__________________
=^-^=
Yasashii yoru ni hitori utau uta. Asu wa kimi to utaou. Yume no tsubasa ni notte.
いとおしい人のために
Reply With Quote
  #8  
Old 07-13-2022, 02:49 PM
Electronic M's Avatar
Electronic M Electronic M is offline
M is for Memory
 
Join Date: Jan 2011
Location: Pewaukee/Delafield Wi
Posts: 15,408
Quote:
Originally Posted by Yamamaya42 View Post
From what I have seen here and there, there are only 2 major types of methods (styles) of bonded safety glass used in these things, RCA, which turns white & cloudy (moldy) looking, best removed with heat, and the Zenith type of bond, which turns green and gummy, best removed with thin wire, and a lot of patience and strong hands!

As E.M. Has confirmed, this tube does indeed have the Zenith type of bonding used for the safety glass, meaning it will be much harder, and not to mention hazardous than the RCA 21FJP22 ones I have done before.
As I have heard that these tend to be more unstable in the process than the roundies,
I'd call it mid-level danger. The 23EGPs with RCA style cataracts tend to implode when heated worse than round or later rectangular tubes. The Zenith guitar string method has has a 100% success rate for me on the yellow/green cataracts, and doesn't use heat.

If you remove the cataract with heat it'll probably implode. If you remove it with just guitar string it'll probably be fine, but a raw 23EGP has a slightly higher implosion risk just sitting there than other color tubes.
__________________
Tom C.

Zenith: The quality stays in EVEN after the name falls off!
What I want. --> http://www.videokarma.org/showpost.p...62&postcount=4
Reply With Quote
  #9  
Old 07-13-2022, 02:57 PM
DavGoodlin's Avatar
DavGoodlin DavGoodlin is offline
Motorola Minion
 
Join Date: Aug 2011
Location: near Strasburg PA
Posts: 3,493
I have an RCA-style (moldy white crap) cataract on a 23EGP22 in an Admiral combo.

Tom: it sounds like no heat is safest, maybe even baking it in sunlight is a risk. The guitar string may need to be heated ala current source?
__________________
"When resistors increase in value, they're worthless"
-Dave G
Reply With Quote
  #10  
Old 07-13-2022, 03:09 PM
Yamamaya42's Avatar
Yamamaya42 Yamamaya42 is offline
VideoKarma Member
 
Join Date: Nov 2018
Location: Round Rock TX
Posts: 3,161
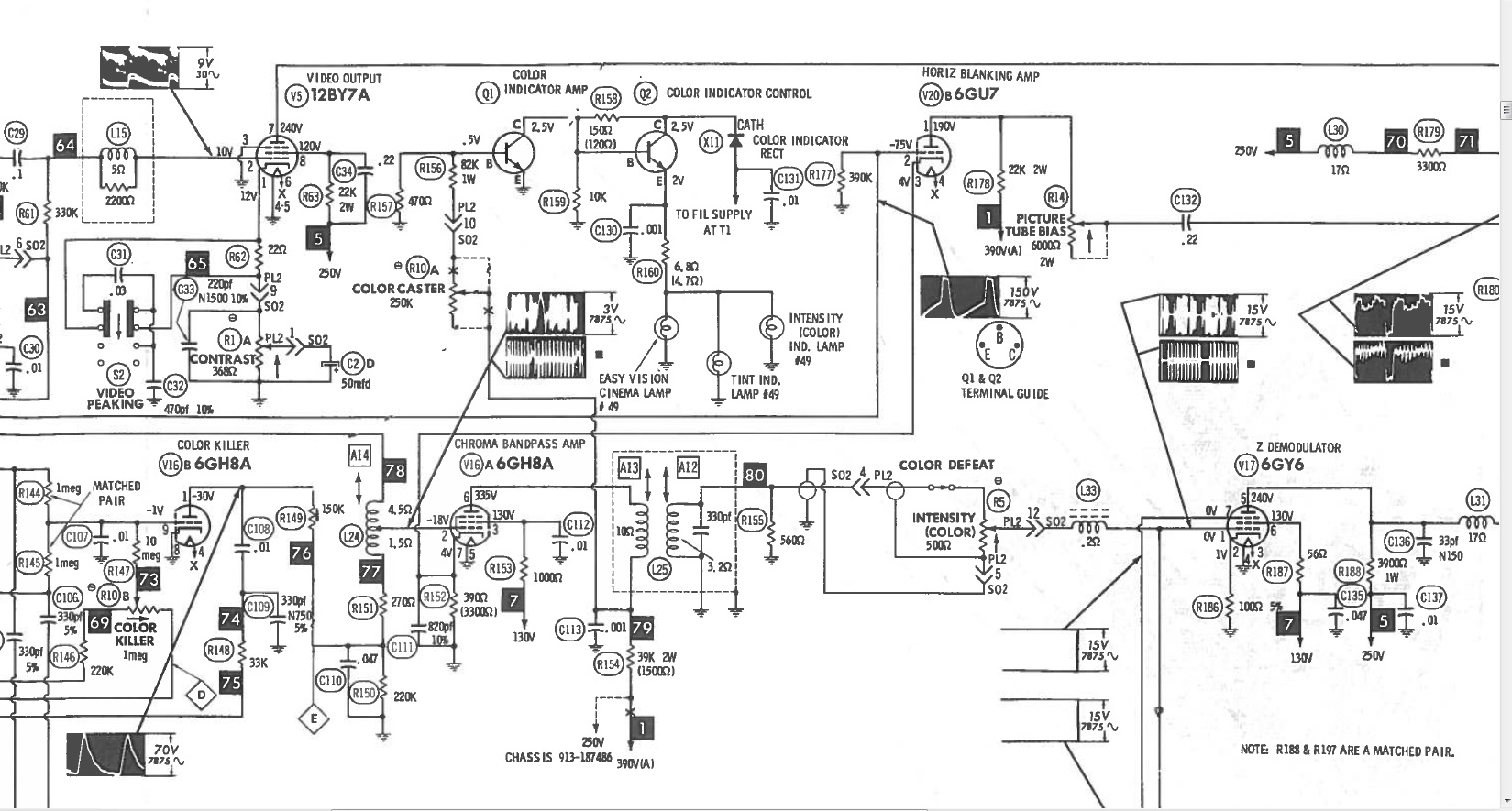
I have been looking at the SAMS for a while now, and just LOLing!
It's obviously an RCA CTC-17 -ish type clone, with mods, but what got me was the totally pointless mod of what is called the “color caster” color indicator circuit, which is 2 NPN transistors hooked to the color bandpass, which turns on 3 lights when color is present.... WHY BOTHER? :O


HEY, WE HAVE COLOR! let's light up the color, and tint controls!
__________________
=^-^=
Yasashii yoru ni hitori utau uta. Asu wa kimi to utaou. Yume no tsubasa ni notte.
いとおしい人のために
Reply With Quote
Audiokarma
  #11  
Old 07-13-2022, 04:10 PM
old_tv_nut's Avatar
old_tv_nut old_tv_nut is offline
See yourself on Color TV!
 
Join Date: Jul 2004
Location: Rancho Sahuarita
Posts: 7,704
Quote:
Originally Posted by Yamamaya42 View Post
I have been looking at the SAMS for a while now, and just LOLing!
It's obviously an RCA CTC-17 -ish type clone, with mods, but what got me was the totally pointless mod of what is called the “color caster” color indicator circuit, which is 2 NPN transistors hooked to the color bandpass, which turns on 3 lights when color is present.... WHY BOTHER? :O


HEY, WE HAVE COLOR! let's light up the color, and tint controls!
Well, hypothetically, the color could be turned all the way down accidentally by kids or even the supposedly intelligent owner.

Of course, in later years we had cable systems that never turned the color burst off on anything including black and white movies, producing crosscolor when it should have been killed. By then no sets had a color indicator, but it would have been useful to me after I turned the color down deliberately on black and white movies.

Edit: well, not really useful, as it would always indicate color, but it might remind me to turn the color up again.
__________________
www.bretl.com
Old TV literature, New York World's Fair, and other miscellany
Reply With Quote
  #12  
Old 07-13-2022, 09:06 PM
Yamamaya42's Avatar
Yamamaya42 Yamamaya42 is offline
VideoKarma Member
 
Join Date: Nov 2018
Location: Round Rock TX
Posts: 3,161
1 is good, 2 is a charm, 3 is nuts! :P

http://suzaku.live-evil.org/crazy-color.jpg
__________________
=^-^=
Yasashii yoru ni hitori utau uta. Asu wa kimi to utaou. Yume no tsubasa ni notte.
いとおしい人のために
Reply With Quote
  #13  
Old 07-13-2022, 10:53 PM
old_tv_nut's Avatar
old_tv_nut old_tv_nut is offline
See yourself on Color TV!
 
Join Date: Jul 2004
Location: Rancho Sahuarita
Posts: 7,704
Wow - they even had a color defeat switch. This would make the indicators useful as the user might have turned the color off with the defeat switch.

The reason for a color defeat switch was for cases where a set was used in a fringe area and the noise might have made the color killer unreliable. The color killer control could be set to make sure color programs got through, but the switch could be used to eliminate color snow on black and white programs without disturbing the color control setting. Obviously the color killer and color indicator could have different thresholds. I wonder if the color indicator tended towards false positives or false negatives under noisy conditions.
__________________
www.bretl.com
Old TV literature, New York World's Fair, and other miscellany
Reply With Quote
  #14  
Old 07-14-2022, 12:53 AM
Electronic M's Avatar
Electronic M Electronic M is offline
M is for Memory
 
Join Date: Jan 2011
Location: Pewaukee/Delafield Wi
Posts: 15,408
I always thought the color defeat switches on the various brands were to eliminate color on fringe color programs where the picture looked worse in color with snow than without color.
__________________
Tom C.

Zenith: The quality stays in EVEN after the name falls off!
What I want. --> http://www.videokarma.org/showpost.p...62&postcount=4
Reply With Quote
  #15  
Old 07-14-2022, 05:59 AM
Yamamaya42's Avatar
Yamamaya42 Yamamaya42 is offline
VideoKarma Member
 
Join Date: Nov 2018
Location: Round Rock TX
Posts: 3,161
What gets me is the 3 parallel lights, " Easy vision cinema " Say what?
__________________
=^-^=
Yasashii yoru ni hitori utau uta. Asu wa kimi to utaou. Yume no tsubasa ni notte.
いとおしい人のために
Reply With Quote
Audiokarma
Reply



Posting Rules
You may not post new threads
You may not post replies
You may not post attachments
You may not edit your posts

BB code is On
Smilies are On
[IMG] code is On
HTML code is Off

Forum Jump


All times are GMT -5. The time now is 05:59 AM.



Powered by vBulletin® Version 3.8.4
Copyright ©2000 - 2026, Jelsoft Enterprises Ltd.
©Copyright 2012 VideoKarma.org, All rights reserved.