Videokarma.org

Go Back   Videokarma.org TV - Video - Vintage Television & Radio Forums > Early B&W and Projection TV

Notices

We appreciate your help

in keeping this site going.
Reply
 
Thread Tools Display Modes
  #61  
Old 03-16-2025, 10:25 AM
Yamamaya42's Avatar
Yamamaya42 Yamamaya42 is offline
VideoKarma Member
 
Join Date: Nov 2018
Location: Round Rock TX
Posts: 3,160
Work is going ahead slowly.

horizontal oscillator seems to be fine, bit a bit low which makes sense sice the FB is not in yet for feedback for it yet. about 28v PtP. on the grids of the HOT.

The vertical oscillator is NOT running, and from what I see it can't If I understand things correctly, the OSC gets power ( T109, V16B) via boost through
r178 from pin one of the FBT, also goes to G2 of the CRT, filtered by C202B.

http://suzaku.live-evil.org/no-vert-osc.jpg
So, if I understand this circuit correctly. long of the short of it is, until the FBT energies and that boost come up, the vertical oscillator won't start.
__________________
=^-^=
Yasashii yoru ni hitori utau uta. Asu wa kimi to utaou. Yume no tsubasa ni notte.
いとおしい人のために
Reply With Quote
  #62  
Old 03-18-2025, 09:08 PM
Yamamaya42's Avatar
Yamamaya42 Yamamaya42 is offline
VideoKarma Member
 
Join Date: Nov 2018
Location: Round Rock TX
Posts: 3,160
OK, now things are making sense here!

for the longest time. I could not work out where the horz osc circuit was getting power from when I was testing it!

http://suzaku.live-evil.org/maggy-solved.jpg

the FBT is still not back in, nor is the fuse.

so where is that 6SN7GT getting bias from?

Then today. I changed all paper caps in the area, and DING! IT HAS STOPPED WORKING!
Bad caps!

C186 was so leaky, that it was bleeding enough power to start the oscillator.
__________________
=^-^=
Yasashii yoru ni hitori utau uta. Asu wa kimi to utaou. Yume no tsubasa ni notte.
いとおしい人のために
Reply With Quote
  #63  
Old 03-19-2025, 09:34 PM
Yamamaya42's Avatar
Yamamaya42 Yamamaya42 is offline
VideoKarma Member
 
Join Date: Nov 2018
Location: Round Rock TX
Posts: 3,160
I did manage to confirm it, I bypassed things a bit so that line to the horizontal oscillator circuit would get power, and it came back good and strong at 40 PtP.
Not quite ready to put the FBT in yet, want to clean up the area a bit, and replace the crappy wires in there.
__________________
=^-^=
Yasashii yoru ni hitori utau uta. Asu wa kimi to utaou. Yume no tsubasa ni notte.
いとおしい人のために
Reply With Quote
  #64  
Old 03-20-2025, 08:35 PM
Yamamaya42's Avatar
Yamamaya42 Yamamaya42 is offline
VideoKarma Member
 
Join Date: Nov 2018
Location: Round Rock TX
Posts: 3,160
More things uncovered, the damper is DEAD, this thing must be hard on them new ones ordered.
__________________
=^-^=
Yasashii yoru ni hitori utau uta. Asu wa kimi to utaou. Yume no tsubasa ni notte.
いとおしい人のために
Reply With Quote
  #65  
Old 03-21-2025, 10:58 AM
Yamamaya42's Avatar
Yamamaya42 Yamamaya42 is offline
VideoKarma Member
 
Join Date: Nov 2018
Location: Round Rock TX
Posts: 3,160
Latest status update.
When I first got this set, the cover was off of the HV cage and the 2 HV rectifier tubes were out and set aside, indicating someone was trying to debug a HV problem and gave up and left it to sit for untold years.
This would not have mattered if it worked or not, since the 16FP4 was worn out and most likely could not show a picture anyway.

The flyback transformer was in a very questionable state, partially to exposure to the elements and the others due to age and the old wires to it being old and full of splices, the old one may or may not have been OK, but since I had a NOS one, why risk it.

With the flyback out, a test of the horizontal oscillator seemed OK, but a bit of a mystery because I was not sure where it was getting power from w/o the flyback in circuit, this turned out to be VERY leaky paper caps, that when replaced, the horizontal oscillator stopped.
A quick bypass of the area to power proved this, good strong horizontal oscillator.

So last night, I started to replace the FBT wiring with new 600v lines, staring with the #5 line to main bias, and #4 to the plate of the damper, link 4 & 5 together, and power up, then the horizontal oscillator SHOULD have started, this did not happen...
Odd, why?

Checked pin 5 of the 6W4GT, good positive voltage, then pin 3, cathode, negative 60v... that aint right!

Not right at all, grabbed the one other one in my hoffman set, BINGO, positive voltage on the cathode, and the horizontal oscillator started.

The bad 6W4GT is most likely the original cause of the HV problem with the set.
New one on the way, plus new 6GB6GTs.
In the meantime will replace the other FBT lines and get the new one in, and replace more caps.
__________________
=^-^=
Yasashii yoru ni hitori utau uta. Asu wa kimi to utaou. Yume no tsubasa ni notte.
いとおしい人のために
Reply With Quote
Audiokarma
  #66  
Old 03-24-2025, 09:05 PM
Yamamaya42's Avatar
Yamamaya42 Yamamaya42 is offline
VideoKarma Member
 
Join Date: Nov 2018
Location: Round Rock TX
Posts: 3,160
It might be a bit silly looking once I get a raster/ picture up on this little test CRT!

http://suzaku.live-evil.org/0324252054.jpg
__________________
=^-^=
Yasashii yoru ni hitori utau uta. Asu wa kimi to utaou. Yume no tsubasa ni notte.
いとおしい人のために
Reply With Quote
  #67  
Old 03-26-2025, 09:40 PM
Yamamaya42's Avatar
Yamamaya42 Yamamaya42 is offline
VideoKarma Member
 
Join Date: Nov 2018
Location: Round Rock TX
Posts: 3,160
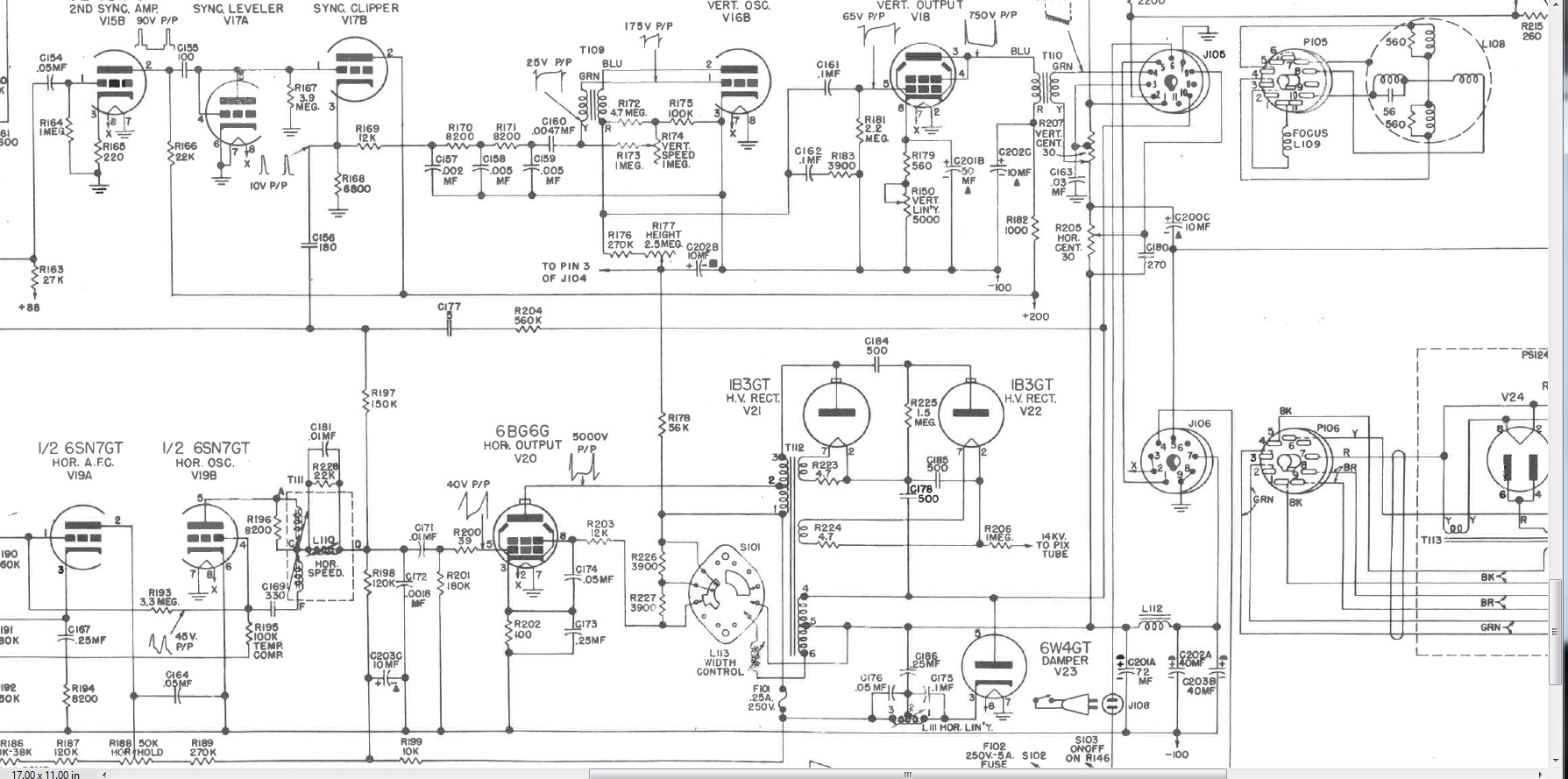
Things are a bit different from the schematic, which is not unusual.

http://suzaku.live-evil.org/maggy-bad.jpg (re-using this picture)

C178 is not hooked as shown on the left of C185 but is on the right side, and the other is hooked to ground as for the EP4, R225 is testing at 1m I will assume its bad, as I cant read the bands on it, the 4.7 ohm ones test OK, but will be replaced anyway. the entire area was very dirty and needed lots of clean up
__________________
=^-^=
Yasashii yoru ni hitori utau uta. Asu wa kimi to utaou. Yume no tsubasa ni notte.
いとおしい人のために
Reply With Quote
  #68  
Old 03-27-2025, 09:18 AM
timmy's Avatar
timmy timmy is offline
VideoKarma Member
 
Join Date: Jan 2011
Location: Delaware ny
Posts: 3,696
So when will we see the first picture
Reply With Quote
  #69  
Old 03-27-2025, 09:43 AM
Yamamaya42's Avatar
Yamamaya42 Yamamaya42 is offline
VideoKarma Member
 
Join Date: Nov 2018
Location: Round Rock TX
Posts: 3,160
Quote:
Originally Posted by timmy View Post
So when will we see the first picture
I'm still waiting for the new damper (6W4GT) + 2 new 6BG6GTs to show up, track SAYS Friday, but who believes USPS these days, the FBT hook up is almost complete, save for lines 2 & 3, the sockets for the 1B3GTs were cleaned as was the board they were mounted to, there is still some rust that I will cover with corona dope, the 3 500pf caps had some cracks in the surface and was coated with corona dope, the 3 resistors in the doubler circuit will be replaced tonight ( 2x 4.7 & 1.5m), I have a new 1m HV on the way, due here Fri, ( 588-MOX-2N-131004FE ) .

So, given that all parts come when they should and things go together well, I should be doing a HV power up this weekend, and if that works, a go for raster on the test CRT.
__________________
=^-^=
Yasashii yoru ni hitori utau uta. Asu wa kimi to utaou. Yume no tsubasa ni notte.
いとおしい人のために
Reply With Quote
  #70  
Old 03-27-2025, 10:09 PM
Yamamaya42's Avatar
Yamamaya42 Yamamaya42 is offline
VideoKarma Member
 
Join Date: Nov 2018
Location: Round Rock TX
Posts: 3,160
http://suzaku.live-evil.org/0327251948a.jpg

The HV doubler circuit before having the old resistors replaced, lot of bad solder work

http://suzaku.live-evil.org/0327252050.jpg

new resistors in,, don't have the NEW HV 1m one yet.
__________________
=^-^=
Yasashii yoru ni hitori utau uta. Asu wa kimi to utaou. Yume no tsubasa ni notte.
いとおしい人のために
Reply With Quote
Audiokarma
  #71  
Old 03-28-2025, 11:16 AM
timmy's Avatar
timmy timmy is offline
VideoKarma Member
 
Join Date: Jan 2011
Location: Delaware ny
Posts: 3,696
Quote:
Originally Posted by Yamamaya42 View Post
http://suzaku.live-evil.org/0327251948a.jpg

The HV doubler circuit before having the old resistors replaced, lot of bad solder work

http://suzaku.live-evil.org/0327252050.jpg

new resistors in,, don't have the NEW HV 1m one yet.
Yup that looks better
Reply With Quote
  #72  
Old 03-29-2025, 03:34 AM
Yamamaya42's Avatar
Yamamaya42 Yamamaya42 is offline
VideoKarma Member
 
Join Date: Nov 2018
Location: Round Rock TX
Posts: 3,160
All HV parts are in now

http://suzaku.live-evil.org/0328252209.jpg

Boy its crowded in there!

http://suzaku.live-evil.org/0329250310.jpg
http://suzaku.live-evil.org/0329250315.jpg

gotta wait for the silicone to cure now.
__________________
=^-^=
Yasashii yoru ni hitori utau uta. Asu wa kimi to utaou. Yume no tsubasa ni notte.
いとおしい人のために
Reply With Quote
  #73  
Old 03-29-2025, 08:10 AM
bandersen's Avatar
bandersen bandersen is offline
RCA 741PCS
 
Join Date: Mar 2009
Location: Chicago, IL
Posts: 8,774
Why did you use a special HV resistor? A regular one would be fine.
__________________
Here are my Vintage Radio & TV YouTube Channel and Photo Gallery
Reply With Quote
  #74  
Old 03-29-2025, 11:19 AM
Yamamaya42's Avatar
Yamamaya42 Yamamaya42 is offline
VideoKarma Member
 
Join Date: Nov 2018
Location: Round Rock TX
Posts: 3,160
And Bon Scott of AC/DC spoke, " "l LET THERE BE HIGH VOLTAGE!!!! And thus it was commanded, and thus it was done!

http://suzaku.live-evil.org/0329251102.jpg

Turns out that both 1B3GTs were also dead, had new on hand, so no biggy.
__________________
=^-^=
Yasashii yoru ni hitori utau uta. Asu wa kimi to utaou. Yume no tsubasa ni notte.
いとおしい人のために
Reply With Quote
  #75  
Old 03-29-2025, 11:27 AM
Yamamaya42's Avatar
Yamamaya42 Yamamaya42 is offline
VideoKarma Member
 
Join Date: Nov 2018
Location: Round Rock TX
Posts: 3,160
Quote:
Originally Posted by bandersen View Post
Why did you use a special HV resistor? A regular one would be fine.
It most likely would have, but if you look at the pic of the old resistors, what was in there before was 2 rather large 500k resistors in series, that had broken, I had no ref to what size they were power or what, but I did not have anything near that size physically in my stocks, so if I was going to have to order something, I chose to spend the extra $ for a HV resistor.
__________________
=^-^=
Yasashii yoru ni hitori utau uta. Asu wa kimi to utaou. Yume no tsubasa ni notte.
いとおしい人のために
Reply With Quote
Audiokarma
Reply



Posting Rules
You may not post new threads
You may not post replies
You may not post attachments
You may not edit your posts

BB code is On
Smilies are On
[IMG] code is On
HTML code is Off

Forum Jump


All times are GMT -5. The time now is 07:14 AM.



Powered by vBulletin® Version 3.8.4
Copyright ©2000 - 2026, Jelsoft Enterprises Ltd.
©Copyright 2012 VideoKarma.org, All rights reserved.