Videokarma.org

Go Back   Videokarma.org TV - Video - Vintage Television & Radio Forums > Early B&W and Projection TV

Notices

We appreciate your help

in keeping this site going.
Reply
 
Thread Tools Display Modes
  #1  
Old 02-03-2025, 07:07 PM
Yamamaya42's Avatar
Yamamaya42 Yamamaya42 is offline
VideoKarma Member
 
Join Date: Nov 2018
Location: Round Rock TX
Posts: 3,160
Rare find! A Magnavox Brittany tv!

http://suzaku.live-evil.org/46599495...62865189_n.jpg

http://suzaku.live-evil.org/46599767...43642247_n.jpg

I don't have it yet, but hope to in a couple weeks.
It's about 3.5 hours drive from here.
The ting seems in rough shape, but is worth saving.
Also taking a gamble on it as it MAY have a 16AP4, 16AP4A CRT on it, and we all know what they have a habit of doing!
__________________
=^-^=
Yasashii yoru ni hitori utau uta. Asu wa kimi to utaou. Yume no tsubasa ni notte.
いとおしい人のために
Reply With Quote
  #2  
Old 02-03-2025, 08:15 PM
bandersen's Avatar
bandersen bandersen is offline
RCA 741PCS
 
Join Date: Mar 2009
Location: Chicago, IL
Posts: 8,774
Oh wow! I think I saw someone post about that on FB a few months ago. Funny to see all the back and forth about value. For sure it's rare and unusual. I'm glad you're saving it.

16AP4s are out there. I was able to get a good used one for my Stromberg Carlson not long ago.
__________________
Here are my Vintage Radio & TV YouTube Channel and Photo Gallery
Reply With Quote
  #3  
Old 02-03-2025, 10:19 PM
old_tv_nut's Avatar
old_tv_nut old_tv_nut is offline
See yourself on Color TV!
 
Join Date: Jul 2004
Location: Rancho Sahuarita
Posts: 7,703
What was the year of manufacture?
__________________
www.bretl.com
Old TV literature, New York World's Fair, and other miscellany
Reply With Quote
  #4  
Old 02-03-2025, 10:43 PM
Yamamaya42's Avatar
Yamamaya42 Yamamaya42 is offline
VideoKarma Member
 
Join Date: Nov 2018
Location: Round Rock TX
Posts: 3,160
Quote:
Originally Posted by old_tv_nut View Post
What was the year of manufacture?
I wont know till i get it, as fer as I know they were made from 1947/50 or later, so it may be a metal cone or glass type.
__________________
=^-^=
Yasashii yoru ni hitori utau uta. Asu wa kimi to utaou. Yume no tsubasa ni notte.
いとおしい人のために
Reply With Quote
  #5  
Old 02-06-2025, 07:40 PM
Yamamaya42's Avatar
Yamamaya42 Yamamaya42 is offline
VideoKarma Member
 
Join Date: Nov 2018
Location: Round Rock TX
Posts: 3,160
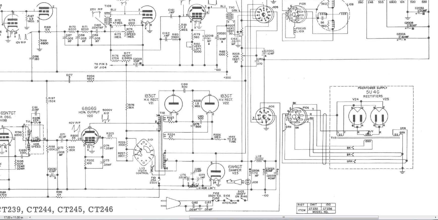
I managed to find service info on it, took a few tries, and it seems it;s a bit odd!

http://suzaku.live-evil.org/maggie-b.jpg

Have not seen dual HV rects before!
__________________
=^-^=
Yasashii yoru ni hitori utau uta. Asu wa kimi to utaou. Yume no tsubasa ni notte.
いとおしい人のために
Reply With Quote
Audiokarma
  #6  
Old 02-06-2025, 10:52 PM
bandersen's Avatar
bandersen bandersen is offline
RCA 741PCS
 
Join Date: Mar 2009
Location: Chicago, IL
Posts: 8,774
Voltage doubler to get 14kV. What CRT does it use?
__________________
Here are my Vintage Radio & TV YouTube Channel and Photo Gallery
Reply With Quote
  #7  
Old 02-07-2025, 05:44 AM
Yamamaya42's Avatar
Yamamaya42 Yamamaya42 is offline
VideoKarma Member
 
Join Date: Nov 2018
Location: Round Rock TX
Posts: 3,160
Quote:
Originally Posted by bandersen View Post
Voltage doubler to get 14kV. What CRT does it use?
Says it has a 16AP4

http://suzaku.live-evil.org/93A-9.pdf
also seems to have a rca 630ts style voltage divider in it.
__________________
=^-^=
Yasashii yoru ni hitori utau uta. Asu wa kimi to utaou. Yume no tsubasa ni notte.
いとおしい人のために
Reply With Quote
  #8  
Old 02-07-2025, 09:30 AM
bandersen's Avatar
bandersen bandersen is offline
RCA 741PCS
 
Join Date: Mar 2009
Location: Chicago, IL
Posts: 8,774
OK, I asked because 14kV is the max for a 16AP4. Looks like they pushed it hard.
__________________
Here are my Vintage Radio & TV YouTube Channel and Photo Gallery
Reply With Quote
  #9  
Old 02-07-2025, 09:45 AM
Yamamaya42's Avatar
Yamamaya42 Yamamaya42 is offline
VideoKarma Member
 
Join Date: Nov 2018
Location: Round Rock TX
Posts: 3,160
The more I look at the schematic, the more they seem to have borrowed from the early RCA sets, as it looks very familiar.
And they seem to be using a lot of 6SN7GTs :O
And it has AGC!
__________________
=^-^=
Yasashii yoru ni hitori utau uta. Asu wa kimi to utaou. Yume no tsubasa ni notte.
いとおしい人のために
Reply With Quote
  #10  
Old 02-07-2025, 09:58 PM
ChrisW6ATV's Avatar
ChrisW6ATV ChrisW6ATV is offline
Another CT-100 lives!
 
Join Date: Feb 2007
Location: Hayward, Cal. USA
Posts: 3,536
I have a Magnavox Embassy combo set with perhaps the same TV chassis, mine is a CT-246, one of the ones on that schematic diagram. (The diagram was the only thing published by Sams, in set 91A or 97A or something like that.)

I got mine in 1979, and I did some repairs on it in 1980 (years before I knew about replacing all of the paper capacitors). I did get a raster, dim but enough to see that it had DC restoration, such a nice sight. Yes, mine has a 16AP4 CRT.

15 years ago or more, a local seller on Craigslist had the same model as mine, but with a curved-corner-rectangle mask rather than the double-D style on mine and Yamamaya42's set. It was gone before I could see it.

(Update: I see that Yamamaya42 posted the Photofact folder above. Thank you! I was close on the number...)
__________________
Chris

Quote from another forum: "(Antique TV collecting) always seemed to me to be a fringe hobby that only weirdos did."

Last edited by ChrisW6ATV; 02-07-2025 at 10:01 PM.
Reply With Quote
Audiokarma
  #11  
Old 02-08-2025, 11:56 PM
Penthode's Avatar
Penthode Penthode is offline
VideoKarma Member
 
Join Date: Jun 2009
Location: Kitchener/Waterloo Ontario Canada
Posts: 1,453
As a teenager, I remember reading a 1950 Popular Science article how to convert your TV from a 10BP4 to a 16AP4.

https://books.google.com/books?id=KS...icture&f=false
Reply With Quote
  #12  
Old 02-11-2025, 02:25 PM
Yamamaya42's Avatar
Yamamaya42 Yamamaya42 is offline
VideoKarma Member
 
Join Date: Nov 2018
Location: Round Rock TX
Posts: 3,160
Well, was all set to go pick this set up this weekend, but something came up to delay it another week.

Looking at the schematic, this will be a real pain to fix, as I hinted, it has 5 6SN7GTs, NOT CHEAP if new are needed, and the lack of info so far, if any parts are needed, no info on the Vertical blocking oscillator transformer or output transformers, and the peaking coils also have no information about them, coils just say “white, black, green, yellow” no H value listed.
There may be a Magnavox service document out there someplace with more details, but I have yet to find it.
__________________
=^-^=
Yasashii yoru ni hitori utau uta. Asu wa kimi to utaou. Yume no tsubasa ni notte.
いとおしい人のために
Reply With Quote
  #13  
Old 02-21-2025, 02:34 PM
Yamamaya42's Avatar
Yamamaya42 Yamamaya42 is offline
VideoKarma Member
 
Join Date: Nov 2018
Location: Round Rock TX
Posts: 3,160
All seems set to go get it tomorrow, and the first thing I will do when I get it back, test the 16AP4. Will it be a paperweight? :O
__________________
=^-^=
Yasashii yoru ni hitori utau uta. Asu wa kimi to utaou. Yume no tsubasa ni notte.
いとおしい人のために
Reply With Quote
  #14  
Old 02-23-2025, 01:29 AM
Yamamaya42's Avatar
Yamamaya42 Yamamaya42 is offline
VideoKarma Member
 
Join Date: Nov 2018
Location: Round Rock TX
Posts: 3,160
I got it!!!

http://suzaku.live-evil.org/0222251855.jpg front view
http://suzaku.live-evil.org/0222251855b.jpg LOOK! ALL THE KNOBS ARE THERE!
http://suzaku.live-evil.org/0222251855c.jpg Back view, someone stole the HV cover!
http://suzaku.live-evil.org/0222251914.jpg PWS, I dont think that one 5U4GB is good for some reason.

http://suzaku.live-evil.org/0222251837a.jpg um that's not a 16AP4, funny, it says 16AP4 on the chart!
http://suzaku.live-evil.org/0222251913.jpg testing...
http://suzaku.live-evil.org/0222251913a.jpg DEAD! STONE DEAD! 20 min, wont wake up.
http://suzaku.live-evil.org/0222251948.jpg COOKED!
http://suzaku.live-evil.org/0222251948a.jpg 16FP4
It's clear that thus is a replacement, and it too was run to death. the 16FP4 is almost an inch larger than the original tube it was made for and is oversized for the screen bezel that was in there, but was made to work.

https://tubedata.altanatubes.com.br/...27/1/16FP4.pdf
https://frank.pocnet.net/sheets/127/1/16AP4.pdf

Now i need to find SOMETHING i can make work in there again!
__________________
=^-^=
Yasashii yoru ni hitori utau uta. Asu wa kimi to utaou. Yume no tsubasa ni notte.
いとおしい人のために
Reply With Quote
  #15  
Old 02-23-2025, 12:37 PM
Yamamaya42's Avatar
Yamamaya42 Yamamaya42 is offline
VideoKarma Member
 
Join Date: Nov 2018
Location: Round Rock TX
Posts: 3,160
It wants to live!
http://suzaku.live-evil.org/0223251102a.jpg
http://suzaku.live-evil.org/flir_20250223T110141.jpg

power transformer is good!

5U4GBs removed, filament power only.
Could not get power from main cord to work bad switch or safety interlock not engaged correctly, hooked power direct to primary winding of the transformer.
__________________
=^-^=
Yasashii yoru ni hitori utau uta. Asu wa kimi to utaou. Yume no tsubasa ni notte.
いとおしい人のために
Reply With Quote
Audiokarma
Reply



Posting Rules
You may not post new threads
You may not post replies
You may not post attachments
You may not edit your posts

BB code is On
Smilies are On
[IMG] code is On
HTML code is Off

Forum Jump


All times are GMT -5. The time now is 07:17 AM.



Powered by vBulletin® Version 3.8.4
Copyright ©2000 - 2026, Jelsoft Enterprises Ltd.
©Copyright 2012 VideoKarma.org, All rights reserved.