Videokarma.org

Go Back   Videokarma.org TV - Video - Vintage Television & Radio Forums > Early B&W and Projection TV

Notices

We appreciate your help

in keeping this site going.
Reply
 
Thread Tools Display Modes
  #271  
Old 07-24-2025, 07:50 AM
timmy's Avatar
timmy timmy is offline
VideoKarma Member
 
Join Date: Jan 2011
Location: Delaware ny
Posts: 3,697
Quote:
Originally Posted by Yamamaya42 View Post
no horizontal drive adjustment on this chassis, just width and linearity.
Ok well the the frequency is off a bit to give you the white line.
Reply With Quote
  #272  
Old 07-24-2025, 07:59 AM
Yamamaya42's Avatar
Yamamaya42 Yamamaya42 is online now
VideoKarma Member
 
Join Date: Nov 2018
Location: Round Rock TX
Posts: 3,165
Adjusting the linearity may reduce it a bit, i have not tried to set it yet, waiting for the new width coil.
__________________
=^-^=
Yasashii yoru ni hitori utau uta. Asu wa kimi to utaou. Yume no tsubasa ni notte.
いとおしい人のために
Reply With Quote
  #273  
Old 07-24-2025, 08:35 AM
timmy's Avatar
timmy timmy is offline
VideoKarma Member
 
Join Date: Jan 2011
Location: Delaware ny
Posts: 3,697
Quote:
Originally Posted by Yamamaya42 View Post
Adjusting the linearity may reduce it a bit, i have not tried to set it yet, waiting for the new width coil.
I don’t think linearity will make a difference with that drive line. And that set don’t have a coil with the screw rod in the middle. If not there’s got to be a way to get that horizontal frequency down. Maybe go back and look at what was done in the horizontal section besides the flyback because that line kind of puts a damper on all the work that was done already. Had the same problem with 2 sets 1 color and 1 b&w was the same thing just a slight counterclockwise and it was gone.
Reply With Quote
  #274  
Old 07-24-2025, 08:55 AM
Yamamaya42's Avatar
Yamamaya42 Yamamaya42 is online now
VideoKarma Member
 
Join Date: Nov 2018
Location: Round Rock TX
Posts: 3,165
I doubt that the frequency is off by any degree, or else I would not have good horizontal lock, which is very solid, I can switch it off the channel and back and not loose lock, which is in the 2nd step of the horizontal circuit alignment, it does look like a drive issue, but I have no way to adjust it other than the linearity coil.
__________________
=^-^=
Yasashii yoru ni hitori utau uta. Asu wa kimi to utaou. Yume no tsubasa ni notte.
いとおしい人のために
Reply With Quote
  #275  
Old 07-24-2025, 09:25 AM
timmy's Avatar
timmy timmy is offline
VideoKarma Member
 
Join Date: Jan 2011
Location: Delaware ny
Posts: 3,697
Quote:
Originally Posted by Yamamaya42 View Post
I doubt that the frequency is off by any degree, or else I would not have good horizontal lock, which is very solid, I can switch it off the channel and back and not loose lock, which is in the 2nd step of the horizontal circuit alignment, it does look like a drive issue, but I have no way to adjust it other than the linearity coil.
Both my sets had very strong and stable horizontal as well but the frequency was off very little.
Reply With Quote
Audiokarma
  #276  
Old 07-24-2025, 10:29 AM
Yamamaya42's Avatar
Yamamaya42 Yamamaya42 is online now
VideoKarma Member
 
Join Date: Nov 2018
Location: Round Rock TX
Posts: 3,165
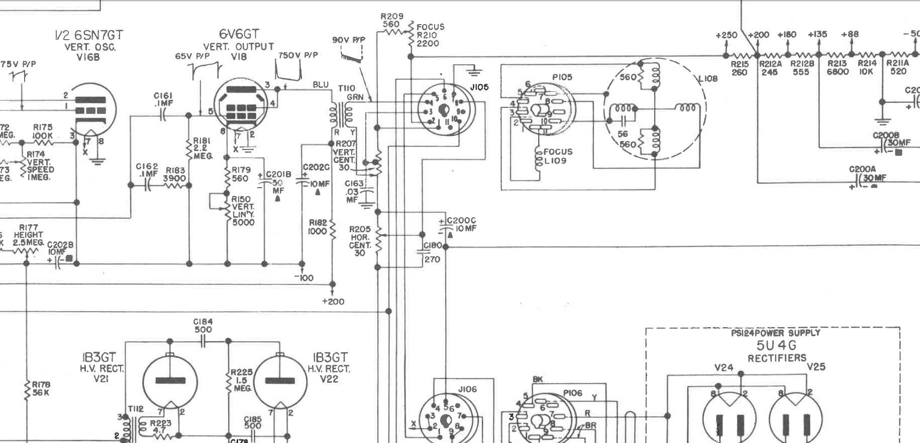
The instructions are vague and confusing for the horizontal geometry.
C:
Width and linearity.
Adjust the width control (located in the upper corner of HV box) so picture fills screen bezel.
Then adjust horizontal drive and linearity for proper width and linearity of picture.

It mentions "horizontal drive" but as mentioned before, there is no such adjustment, so before I mess with the horizontal speed adjustment or horizontal lock again, I'm going to see what happens when the Width and linearity core is tuned, the linearity, being on the cathode of the damper tied to 3 caps.
__________________
=^-^=
Yasashii yoru ni hitori utau uta. Asu wa kimi to utaou. Yume no tsubasa ni notte.
いとおしい人のために
Reply With Quote
  #277  
Old 07-24-2025, 10:39 AM
timmy's Avatar
timmy timmy is offline
VideoKarma Member
 
Join Date: Jan 2011
Location: Delaware ny
Posts: 3,697
Quote:
Originally Posted by Yamamaya42 View Post
The instructions are vague and confusing for the horizontal geometry.
C:
Width and linearity.
Adjust the width control (located in the upper corner of HV box) so picture fills screen bezel.
Then adjust horizontal drive and linearity for proper width and linearity of picture.

It mentions "horizontal drive" but as mentioned before, there is no such adjustment, so before I mess with the horizontal speed adjustment or horizontal lock again, I'm going to see what happens when the Width and linearity core is tuned, the linearity, being on the cathode of the damper tied to 3 caps.
And the schematic actually says adjust horizontal drive but no such adjusts there.
Reply With Quote
  #278  
Old 07-24-2025, 10:54 AM
Yamamaya42's Avatar
Yamamaya42 Yamamaya42 is online now
VideoKarma Member
 
Join Date: Nov 2018
Location: Round Rock TX
Posts: 3,165
http://suzaku.live-evil.org/maggy-solved.jpg

So far, I have not touched L111 yet.
__________________
=^-^=
Yasashii yoru ni hitori utau uta. Asu wa kimi to utaou. Yume no tsubasa ni notte.
いとおしい人のために
Reply With Quote
  #279  
Old 07-24-2025, 01:30 PM
timmy's Avatar
timmy timmy is offline
VideoKarma Member
 
Join Date: Jan 2011
Location: Delaware ny
Posts: 3,697
Quote:
Originally Posted by Yamamaya42 View Post
http://suzaku.live-evil.org/maggy-solved.jpg

So far, I have not touched L111 yet.
Is that L110 says horizontal speed that would be it
Reply With Quote
  #280  
Old 07-24-2025, 07:16 PM
Yamamaya42's Avatar
Yamamaya42 Yamamaya42 is online now
VideoKarma Member
 
Join Date: Nov 2018
Location: Round Rock TX
Posts: 3,165
confirmed, adjusting the width and linearity got rid of the line in the middle.

http://suzaku.live-evil.org/0724251852c.jpg
http://suzaku.live-evil.org/0724251853a.jpg

Still stretched a bit on the left.

not adjusted vert yet.
__________________
=^-^=
Yasashii yoru ni hitori utau uta. Asu wa kimi to utaou. Yume no tsubasa ni notte.
いとおしい人のために
Reply With Quote
Audiokarma
  #281  
Old 07-25-2025, 08:13 AM
timmy's Avatar
timmy timmy is offline
VideoKarma Member
 
Join Date: Jan 2011
Location: Delaware ny
Posts: 3,697
That left side wouldn’t be horizontal? Well either way after adjusting everything and the line comes back then take a look at L110
Reply With Quote
  #282  
Old 07-25-2025, 08:28 AM
Yamamaya42's Avatar
Yamamaya42 Yamamaya42 is online now
VideoKarma Member
 
Join Date: Nov 2018
Location: Round Rock TX
Posts: 3,165
I was able to minimize the stretch on left side by adjusting the angle of the focus coil, I will adjust again once the front bezel is on, as it covers the far corners, I may not be able to get rid of all of it, but minimize it via L111 adjusting and focus coil tilt.
__________________
=^-^=
Yasashii yoru ni hitori utau uta. Asu wa kimi to utaou. Yume no tsubasa ni notte.
いとおしい人のために
Reply With Quote
  #283  
Old 07-28-2025, 10:06 PM
Yamamaya42's Avatar
Yamamaya42 Yamamaya42 is online now
VideoKarma Member
 
Join Date: Nov 2018
Location: Round Rock TX
Posts: 3,165
Still cant fully get rid of the stretch on the left side of the screen, was able to make it smaller but not get rid of it yet.

http://suzaku.live-evil.org/h-lin.jpg
Gonna try to replace C180 (270pf) see what that does, may do nothing, more likely the 56pf cap in the yoke, but don't wanna pull it all apart again at this point.
__________________
=^-^=
Yasashii yoru ni hitori utau uta. Asu wa kimi to utaou. Yume no tsubasa ni notte.
いとおしい人のために
Reply With Quote
  #284  
Old 07-29-2025, 12:27 PM
timmy's Avatar
timmy timmy is offline
VideoKarma Member
 
Join Date: Jan 2011
Location: Delaware ny
Posts: 3,697
When I had the white line on my set I do recall I had a slight stretch but after tweaking the horizontal drive just a bit to get rid of the line the stretch was gone so maybe that’s what you have going on. Try disconnecting the width coil.
Reply With Quote
  #285  
Old 07-29-2025, 10:08 PM
bandersen's Avatar
bandersen bandersen is offline
RCA 741PCS
 
Join Date: Mar 2009
Location: Chicago, IL
Posts: 8,777
Left side of the screen is controlled by the damper circuit as recovered energy from the collapsing magnetic field fades away.
Right side is controlled by the horizontal output tube.
The cap in the yoke suppresses ringing.
Pretty sure C180 filters noise out of the DC bias horizontal centering control.
__________________
Here are my Vintage Radio & TV YouTube Channel and Photo Gallery
Reply With Quote
Audiokarma
Reply



Posting Rules
You may not post new threads
You may not post replies
You may not post attachments
You may not edit your posts

BB code is On
Smilies are On
[IMG] code is On
HTML code is Off

Forum Jump


All times are GMT -5. The time now is 11:51 AM.



Powered by vBulletin® Version 3.8.4
Copyright ©2000 - 2026, Jelsoft Enterprises Ltd.
©Copyright 2012 VideoKarma.org, All rights reserved.